![]() |
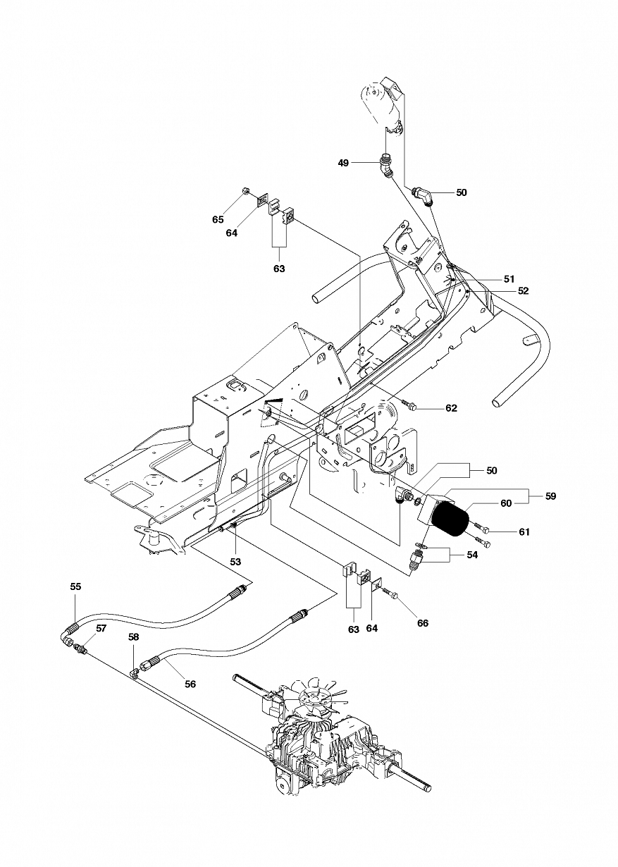
49 |
535 42 69-01 |
PIPE FITTING
Используется в агрегатах
|
1 |
9218 i |
|
|
![]() |
50 |
535 43 73-01 |
PIPE FITTING
Используется в агрегатах
|
2 |
9463 i |
|
|
![]() |
51 |
502 85 44-01 |
HYDRAULIC PIPE
Используется в агрегатах
|
1 |
13597 i |
|
|
![]() |
52 |
502 85 45-01 |
HYDRAULIC PIPE
Используется в агрегатах
|
1 |
7073 i |
|
|
![]() |
53 |
502 85 46-01 |
HYDRAULIC PIPE
Используется в агрегатах
|
1 |
9537 i |
|
|
![]() |
54 |
535 42 68-01 |
PIPE FITTING
Используется в агрегатах
|
1 |
2821 i |
|
|
![]() |
55 |
535 45 03-02 |
HYDRAULIC HOSE
Используется в агрегатах
|
1 |
7827 i |
|
|
![]() |
56 |
535 45 04-02 |
HYDRAULIC HOSE
Используется в агрегатах
|
1 |
6197 i |
|
|
![]() |
57 |
535 42 65-01 |
PIPE FITTING
Используется в агрегатах
|
1 |
2361 i |
|
|
![]() |
58 |
535 42 66-01 |
PIPE FITTING
Используется в агрегатах
|
1 |
8668 i |
|
|
![]() |
59 |
580 65 33-01 |
FILTERBLOCK ASSY
Используется в агрегатах
|
1 |
39809 i |
|
|
 |
60 |
575 64 54-01 |
Фильтр гидросистемы
Используется в агрегатах
|
1 |
8945 i |
|
|
![]() |
61 |
725 54 62-01 |
SCREW IHSCM
Используется в агрегатах
|
2 |
2230 i |
|
|
![]() |
62 |
535 47 52-45 |
Винт
Используется в агрегатах
|
1 |
1570 i |
|
|
![]() |
63 |
544 37 33-03 |
PIPE CLAMP
Используется в агрегатах
|
2 |
1561 i |
|
|
![]() |
64 |
535 43 85-01 |
COVER WASHER
Используется в агрегатах
|
2 |
1631 i |
|
|
 |
65 |
732 21 16-01 |
LOCK NUT
Используется в агрегатах
|
1 |
887 i |
|
|
![]() |
66 |
725 23 78-61 |
SCREW EHHFT
Используется в агрегатах
|
1 |
1432 i |
|
|