Назад

Заказы на запчасти принимаются строго через сайт путем добавления в корзину или лично в магазине.


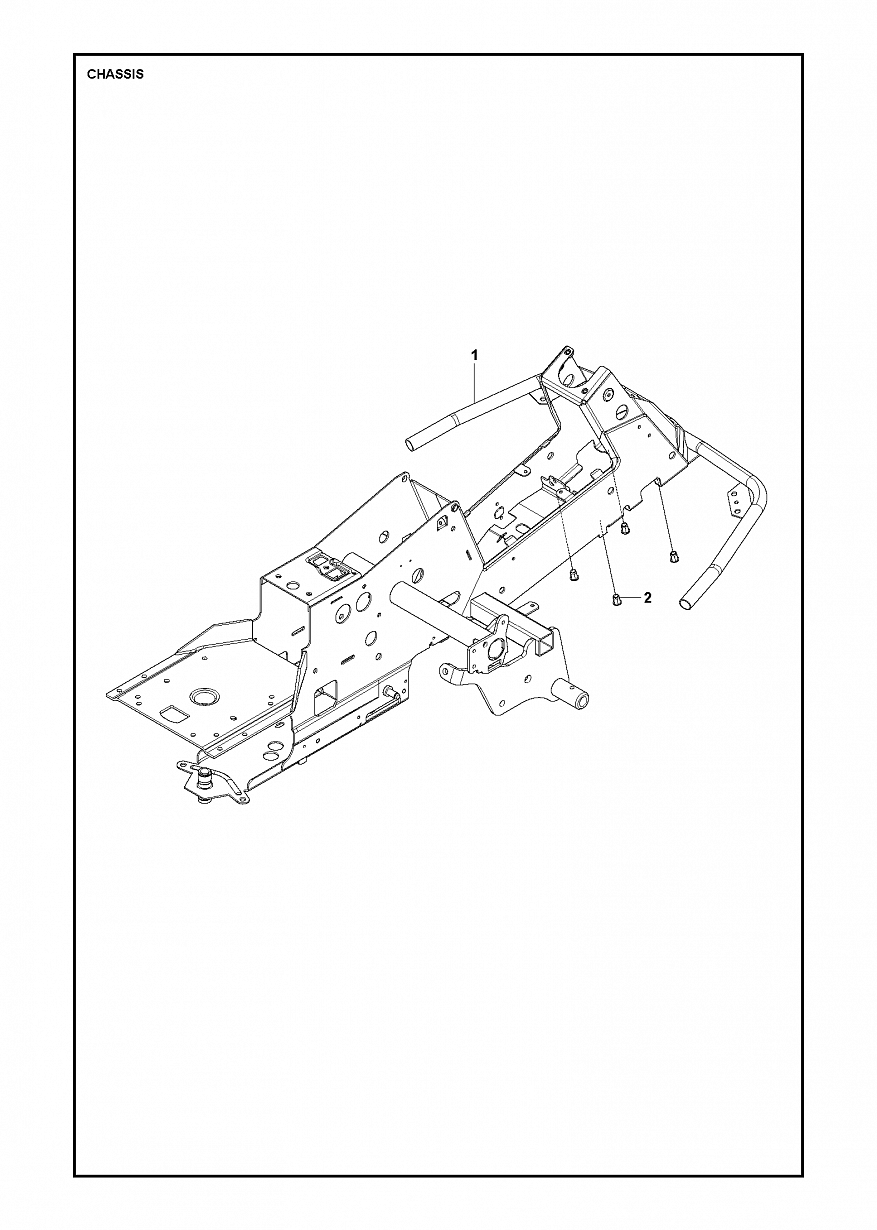
1 РАМА Райдер Хускварна R316 TX 967847401, 2019-01

Ссылка Артикул Наименование детали (Примечание) Используется штук Цена Кол-во
1 594 92 14-02

CHASSIS
Используется в агрегатах

1 82020 i
2 506 91 62-01

BLIND RIVET NUT
Используется в агрегатах

4 1625 i