![]() |
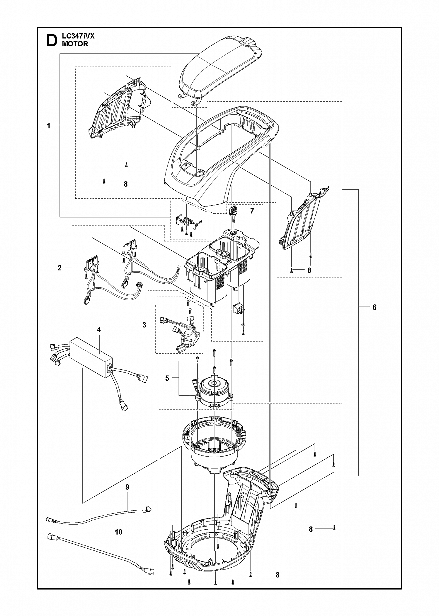
1 |
593 12 43-01 |
LID ASSY
Используется в агрегатах
|
1 |
6875 i |
|
В наличии 1 шт. Обновлено 11.04.2026 (22:48) |
![]() |
|
|
Powerhead lid and hinge
|
|
![]() |
2 |
593 12 45-01 |
BATTERY BOX
Используется в агрегатах
|
1 |
5808 i |
|
В наличии 1 шт. Обновлено 11.04.2026 (22:48) |
![]() |
|
|
Battery pocket
|
|
![]() |
3 |
593 13 36-01 |
CONTACT PLATE
Используется в агрегатах
|
1 |
11298 i |
|
В наличии 1 шт. Обновлено 11.04.2026 (22:49) |
![]() |
|
|
Battery control plate
|
|
![]() |
4 |
593 13 27-01 |
CONTROL UNIT
Используется в агрегатах
|
1 |
41763 i |
|
В наличии 1 шт. Обновлено 11.04.2026 (22:49) |
![]() |
|
|
Motor control box
|
|
![]() |
5 |
592 74 93-01 |
MOTOR
Используется в агрегатах
|
1 |
24899 i |
|
В наличии 1 шт. Обновлено 11.04.2026 (22:47) |
![]() |
|
|
Brushless motor 750W
|
|
![]() |
6 |
593 20 39-01 |
ENGINE HOOD ASSY
Используется в агрегатах
|
1 |
14333 i |
|
В наличии 1 шт. Обновлено 11.04.2026 (22:49) |
![]() |
|
|
Power unit cover
|
|
![]() |
7 |
501 49 01-01 |
KEY
Используется в агрегатах
|
1 |
1515 i |
|
В наличии 1 шт. Обновлено 11.04.2026 (21:25) |
![]() |
|
|
battery pocket key
|
|
![]() |
8 |
593 75 55-01 |
SCREW
Используется в агрегатах
|
16 |
746 i |
|
|
![]() |
|
|
Engine hood screws
|
|
![]() |
9 |
593 72 28-01 |
CABLE
Используется в агрегатах
|
1 |
9274 i |
|
|
![]() |
|
|
handle
|
|
![]() |
10 |
593 72 26-01 |
CABLE
Используется в агрегатах
|
1 |
4518 i |
|
|
![]() |
|
|
transmission
|
|