Заказы на запчасти принимаются строго через сайт путем добавления в корзину или лично в магазине.
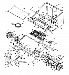
1 Мусоросборщик SWEEPER 32, 1998-09 АКСЕССУАРЫ ДЛЯ РАЙДЕРА ТРАКТОРА ХУСКВАРНА