Заказы на запчасти принимаются строго через сайт путем добавления в корзину или лично в магазине.
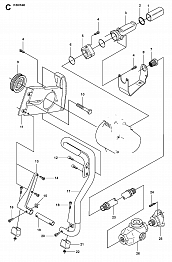
1 РЕМЕНЬ - ШКИВ | K30, 2009-05 Резчик Хускварна пневматический | дисковый |
2 КОЖУХ | K30, 2009-05 Резчик Хускварна пневматический | дисковый |
3 РУЧКА | K30, 2009-05 Резчик Хускварна пневматический | дисковый |
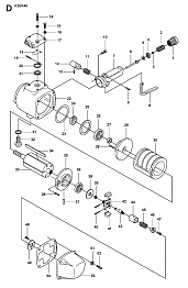
4 ПНЕВМАТИЧЕСКИЙ НАСОС - МОТОР | K30, 2009-05 Резчик Хускварна пневматический | дисковый |
5 КОМПЛЕКТ ВОДЯНОЙ РЕЗКИ | K30, 2009-05 Резчик Хускварна пневматический | дисковый |
6 ИНСТРУМЕНТЫ | K30, 2009-05 Резчик Хускварна пневматический | дисковый |